Усилители Music Angel

    XD500MKIII
    XD800MKIII
    XD845MKIII
    XD845LE
    XD850MKIII
    XD8502AIII
    XD900MKIII
    T24 фонокорректор

Ламповый усилитель XD500MKIII: EL34, 2х50 Вт Ламповый усилитель XD800MKIII: KT88, 2х65 Вт Ламповый усилитель XD845MKIII: 845, 2х20 Вт Ламповый усилитель XD850MKIII: 300B, 2х9 Вт Ламповый усилитель XD8502AIII: 300B, 2х9 Вт Предварительный ламповый усилитель XD900MKIII: 12AU7, 12AX7

Усилители ARIA

    MINI 6
    MINI 5.1
    MINIP1
    MINIL3
    MINIP14

Ламповый усилитель MINI 6: KT88, 2х60 Вт Ламповый усилитель MINIP1: 6AQ5, 2х10 Вт Ламповый усилитель MINIL3: EL34, 2х35 Вт Ламповый усилитель MINIP14: 6P14, 2х10 Вт

Усилители LACONIC

    AZUR H2
    HA-02
    HA-03B
    HA-03B2
    HA-03M
    Lunch Box Pro

Ламповые усилители LACONIC HA-02,03B/B2/M: 6N6P, 2х1,2 Вт на 300 Ом

Акустические системы

    Music Angel One
    Music Angel 2.5
    Music Angel TK-10
    DIVA 5.2

Акустическая система Music Angel One: 20 - 100 Вт, 38 Гц - 30 кГц, 86 Дб/Вт/м Акустическая система Music Angel 2.5: 20 - 200 Вт, 20 Гц - 30 кГц, 86 Дб/Вт/м Акустическая система Music Angel TK-10: 10 - 250 Вт, 45 Гц - 22 кГц, 8 Ом, 97 дБ/Вт/м Акустическая система DIVA 5.2: 10 - 150 Вт, 36 Гц - 20 кГц, 90 дБ/Вт/м

Комплектующие

    Лампы
    Кабели

КТ 88: Filament Voltage 6.3 V Filament Current 1.6 A Plate Voltage (max) 800 V Plate Current (max) 230 mA Plate Dissipation (max) 40 W 845: D.C. Plate Voltage 1250 D.C. Grid Voltage -98 Peak A.F. Grid Voltage 93 D.C. Plate Current (ma.) 95 Power Output (watts) 15 21 300B: Filament Voltage 5 V Filament Current 1.2 A Plate Voltage (max) 450 V Plate Current (max) 100 mA Plate Dissipation (max) 40 W

Это интересно

Данная статья является первой, где представлена полная принципиальная схема в нашем журнале. Хотя в ней не показана точная последовательность конструирования, зато некоторые идеи покажутся весьма ценными для опытных любителей и профессиональных разработчиков.
    При том, что однотактники действительно звучат здорово, большинство из них маломощны и к тому же дороги. Часто в них используются прямонакальные триоды, которые не дешевы, имеют малый ресурс и нестандартный цоколь. Чтобы как-то подавить фон катода/накала, нить накала требуется запитывать от постоянного тока. Однако другой замены им нет, так как производители ламп в 30-е годы принялись за производство лучевых тетродов, оставив триоды служить звуку. Когда же случилось однотактное помешательство и возникла потребность в выходных лампах с высокой линейностью, нам ничего не осталось, как использовать лампы с технологией из 20-х.
    Мне захотелось спроектировать однотактник, который бы обладал высокой мощностью, хорошо звучал и при этом был прост и не дорог. Подобные цели я ставлю при разработке на своей основной работе; по специальности я инженер электронщик. Потому привычка эта стала второй натурой, когда мудрю и хоббирую над схемами дома. Конечно, чтобы работа над проектом разрешилась удачей, не обошлось без пары трюков. Так ведь они и являются неотъемлемой частью инженерии, иначе меня можно было бы заменить машиной!!!
    Сперва потребовалось переделать недорогой двухтактный трансформатор, чтобы он смог работать без насыщения, как однотактный. Ну не насмешка ли это — когда нужен действительно здоровенный транс для серьезной однотактной машины, то приличных размеров железо удается отыскать только среди двухтактных?? WHERE’S THE BEEF?* Если кто-нибудь решит получить большую мощность от своего SE усилителя, ему придется разгромить PP усилитель.
    Для этой цели мне подошел выходной трансформатор, что в свое время делала фирма Hammond, его тип 1650 W. Нормированный на 280 ватт в двухтакте, он имеет сопротивление первичной обмотки 1,9 кОм. И только такой огромный кусок железа стал пропуском в область большой однотактной мощности. По слухам, эти трансформаторы применялись одним знаменитым производителем басовых усилителей. Хм, н-да...
    Транс этот, само собой двухтактный, собран на стандартном Ш-железе, набранном вперекрышку**. Чтобы превратить этот трансформатор в однотактный, необходимо в каждое звено магнитной цепи ввести магнитный зазор. Если кто возьмется делать SE транс из готовых «Е» и «I» пластин, то нужно лишь забить в одну сторону каркаса «Е» пластины, а с другой накрыть их набором «I», предварительно подложив полоску немагнитного материала.
    Нелегкая это работа — аккуратно разобрать сердечник трансформатора, а я и не стал этого делать — зазор может быть получен с помощью ножовки по металлу. Вероятно, лучше эту операцию проделать в слесарной мастерской. Откиньте крышки с обеих сторон и стяните сердечник болтами вновь, чтобы избежать расщепления пластин при распиловке. Сделайте два пропила, по одному с каждой стороны катушки, как показано на рисунке.
    Далее...

 
 

Одноламповые усилители низкой частоты

 

Начинающим радиолюбителям, не имеющим опыта создания ламповой аппаратуры, рекомендуется начать знакомство с ламповыми УНЧ со сборки хотя бы одного из простейших одноламповых усилителей. Такие однотактные усилители НЧ являются самыми простыми и, естественно, не отличаются высокими качественными характеристиками, в том числе и большой выходной мощностью. Однако сборка подобных конструкций не занимает много времени и сил, но в то же время помогает приобрести определенные навыки и бесценный опыт, необходимые для успешной работы по созданию более сложной ламповой звуковоспроизводящей аппаратуры.

При упоминании об одноламповых УНЧ не следует думать, что речь идет об однокаскадных усилителях. В прошлом столетии появились так называемые комбинированные электронные лампы, в которых в одном баллоне размещаются как минимум две лампы. На двойных триодах или триод-пентодах можно собрать простой УНЧ с двумя каскадами усиления. Так, например, при использовании триод-пентода на триодной части комбинированной лампы может быть выполнен усилитель напряжения, а на пентодной части – усилитель мощности.

Необходимость применения двух каскадов усиления объясняется тем, что нормальная работа даже простейшей одноваттной акустической системы обеспечивается при подаче на нее мощности около 1 Вт. Получить такую мощность от большинства приемно-усилительных ламп широко распространенных типов можно лишь в том случае, если на управляющую сетку подать напряжение сигнала в несколько вольт. В то же время выходное напряжение большинства источников входного сигнала, используемых совместно с ламповыми УНЧ, обычно не превышает нескольких сотен милливольт. Поэтому и возникает необходимость применения дополнительного каскада для усиления напряжения.

В настоящее время на любом радиорынке без труда и за сравнительно приемлемую цену можно приобрести радиолампы не только отечественного, но и зарубежного производства. Поэтому при желании можно собрать простой одноламповый усилитель низкой частоты на импортной комбинированной лампе, например, на лампе типа ЕCL86. Мощность этого усилителя не превышает 2 Вт при полосе пропускания от 100 Гц до 8 кГц. По сравнению с рассмотренными ранее усилителями, выполненными на отечественных лампах 6Ф3П и 6Ф5П, предлагаемая конструкция имеет минимальные отличия, поэтому переделка не займет много времени. В результате можно будет сравнить параметры обоих усилителей при различных режимах работы. Принципиальная схема простейшего усилителя низкой частоты на лампе типа ECL86 приведена на рис. 4.9.

Принципиальная схема простейшего однолампового усилителя низкой частоты на лампе ECL86

Рис. 4.9. Принципиальная схема простейшего однолампового усилителя низкой частоты на лампе ECL86

Основу данного усилителя составляет комбинированная лампа VL1 типа ECL86, в состав которой входят триод и пентод. На триодной части этой лампы, обозначенной на схеме как VL1.1, выполнен предварительный усилитель, служащий возбуждающим каскадом для пентода VL1.2 оконечного каскада.

В рассматриваемой схеме входной сигнал подается на потенциометр R1, который является регулятором громкости. К движку имеющего логарифмическую характеристику (тип В) переменного резистора R1 непосредственно подсоединена управляющая сетка триода VL1.1. Напряжение смещения, подаваемое на сетку триода, формируется с помощью резистора R3, включенного в цепь катода триода VL1.1. Параллельно этому резистору подключен блокирующий конденсатор С1. С анода триода VL1.1 усиленный сигнал через разделительный конденсатор С2 подается на сетку пентодной части лампы, обозначенной на схеме как VL1.2. Через установленный в анодной цепи триода VL1.1 резистор R2 протекает ток величиной около 1 мА, поэтому мощность этого резистора должна составлять не менее 0,25 Вт. Напряжение смещения, подаваемое на сетку пентода VL1.2, формируется с помощью резистора R5. Параллельно этому резистору, включенному в цепь катода пентодной части лампы, подключен блокирующий конденсатор С3. Пентод VL1.2 в данном усилителе включен по так называемой триодной схеме. При таком включении вторая или экранирующая сетка пентода соединена с анодом, а третья или защитная сетка подключена к катоду (в лампе ECL86 – внутри стеклянного баллона).

Параметры выходного звукового трансформатора Т1 должны быть выбраны так, чтобы сопротивление первичной обмотки составляло примерно 5,1 кОм, а сопротивление вторичной обмотки было равно сопротивлению катушки подключаемого громкоговорителя, т.е. должно находиться в пределах от 4 Ом до 8 Ом. В качестве такого трансформатора можно использовать выходной звуковой трансформатор усилителя НЧ от старого лампового цветного или черно-белого телевизора.

Принципиальная схема источника питания, который можно использовать с усилителем низкой частоты на лампе ECL86, приведена на рис. 4.10.

Принципиальная схема источника питания для усилителя низкой частоты на лампе ECL86

Рис. 4.10. Принципиальная схема источника питания для усилителя низкой частоты на лампе ECL86

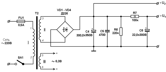
Постоянное напряжение U2 для цепей анода и экранной сетки пентода VL1.2 снимается с конденсатора С4, который должен быть рассчитан на постоянное напряжение не менее 350 В. Блокирующий конденсатор С5 и резистор R6 образуют фильтр и одновременно являются нагрузочной цепью разрядки. Напряжение U2 также поступает на дополнительный фильтр, образованный резистором R7 и конденсатором С6, на выходе которого формируется напряжение U1 для анодной цепи триода VL1.1. Величина напряжения U1 должна составлять примерно 200 В.

В блоке питания данной конструкции можно использовать сетевой трансформатор от любого лампового радиоприемника, на вторичной обмотке которого формируется переменное напряжение в пределах от 200 В до 250 В при рабочем токе не менее 100 мА. Обязательным является и наличие обмотки с переменным напряжением 6,3 В при рабочем токе не менее 0,7 А.

В связи с тем, что импортная лампа типа ECL86 в продаже встречается сравнительно редко, ее можно заменить более распространенной лампой типа PCL86, которая имеет аналогичную цоколевку и почти такие же параметры. Главное отличие заключается в том, что номинальное напряжение накала лампы PCL86 составляет 14,5 В. Поэтому при применении этой лампы необходимо использовать сетевой трансформатор с двумя обмотками на напряжение 6,3 В при рабочем токе не менее 0,5 А. При последовательном включении этих обмоток можно получить напряжение 12,6 В, которого вполне достаточно для удовлетворительной работы лампы. В этом случае принципиальная схема блока питания будет выглядеть так, как показано на рис. 4.11.

Принципиальная схема источника питания для усилителя низкой частоты на лампе PCL86

Рис. 4.11. Принципиальная схема источника питания для усилителя низкой частоты на лампе PCL86

 

Адаменко М. В., "Ламповые УНЧ. Секреты схемотехники".

Опубликовано с разрешения издательства ДМК Пресс www.dmk-press.ru

 

Статьи

Ламповый звук
Тайны лампового звука
Волшебство лампового звука [1] [2]
Когда лампа лучше, чем транзистор [1] [2]
Почему вакуумный триод звучит музыкально
Схемотехника ламповых усилителей
Лампы или транзисторы? Лампы!
Однотактный ламповый усилитель для начинающих
Двухтактные ламповые усилители
Оконечный пушпульный усилитель - схема Уильямсона-Хафлера-Кероеса
Рекомендации по повторению реплики схемы Уильямсона-Хафлера-Кероеса
Однотактный усилитель с непосредственной связью. Схема Loftin-White [1] [2]
Трехламповый усилитель Губина
Однотактник на 300В
Усилители низкой частоты
Расчет каскада с нагрузкой в аноде
Однотактный усилитель на лампе 807 [1] [2]
Циклотрон. Мощный усилитель с выходными лампами ГУ-50
SE на RB300
Однотактный усилитель мощности на 300В. Модель WE91 для 90-х годов [1] [2]
Как улучшить звучание HI-FI системы [1] [2] [3] [4] [5] [6]
Лампы и звук: назад, в будущее [1] [2] [3] [4] [5]
Однотактный ламповый ... [1] [2] [3] [4] [5] [6] [7] [8] [9] [10]
Апгрейд усилителя XD845MKIII [1] [2]
"Усилитель" для наушников на SRPP [1] [2] [3] [4] [5] [6]
Ламповый High-End [1] [2] [3] [4] [5] [6] [7] [8] [9] [10] [11] [12] [13] [14] [15] [...]
Обзор журнала Glass Audio за 1998 год [1] [2]
Обзор журнала Glass Audio за 1999 год
Корректор для винила
Компенсированные регуляторы громкости
Усилитель НЧ
Даешь ONGAKU!
Tubesaurus Rex
Усилитель НЧ с комбинированной обратной связью
Прибор для измерения напряжения накала высоковольтных кенотронов
George Ohm живет в Харькове
Ревизия однотактного усилителя с межкаскадным трансформатором
Усилитель мощности НЧ с высоким КПД
Двухканальный усилитель НЧ
Усилитель НЧ с клавишным переключателем
Радиотрансляционные установки ТУ-50 и ТУ-100
Портативный проигрыватель
Усилитель НЧ
Усилитель без выходного трансформатора
Усилители без выходного трансформатора
Лампово-полупроводниковый УМЗЧ
Акустика
Бытовые акустические системы [1] [2] [3] [4] [5] [6] [7] [8] [9] [10] [11] [12] [13]
Там, где живут басы [1] [2] [3] [4] [5] [6]
The Onken Enclosure
Категории слухового восприятия [1] [2]
Три взгляда на акустику помещений [1] [2]
Акустика в которой мы живем [1] [2]
Акустика офисов
Мифы звукоизоляции
Акустика отделочных материалов
Акустический агрегат с объемным звучанием
Акустические свойства домашней мебели
Акустические линзы для громкоговорителей
Акустические измерения в практике радиолюбителя
Акустический фазоинвертор
Акустика студий [1] [2]
Полезные советы разработчиков Hi-End
Триод против пентода. Что выбрать? [1] [2]
SINGLE-ENDED VS PUSH-PULL [1] [2] [3] [4] [5] [6] [7]
Одноламповые усилители низкой частоты
Как пользоваться характеристиками электронных ламп
Многоламповые усилители НЧ на импортных лампах
Контактно-резисторный коммутатор входов
Как проверять аппаратуру в салоне
Что лучше: 4 или 8 Ом акустика?
Выходной трансформатор для однотактника. Быть или не быть линейным
Простая и быстрая проверка трансформаторов
Десять способов усовершенствовать вашу аудиокомнату
Испытатель ламп
Понижение уровня фона в усилителях
Evolution
Пять правил рационального питания
Трансформаторы в однотактных усилителях
Выходные трансформаторы
Измерение характеристик выходного трансформатора [1] [2]
Однотактный «Magnum»
Какая лампа нам нужна
Какая лампа нам нужна и будет ли она?
Улучшенная конфигурация листов трансформаторной стали
Должен ли УМЗЧ иметь малое выходное сопротивление? [1] [2]
Звук: интересные наблюдения
Вся правда об акустике ProAc
Немного теории лампового звука
О заметности искажений
История лампы 300B
Краткая история возникновения Hi-Fi
Возможен ли "виниловый ренессанс?" [1] [2] [3]
Hi-End: Мифы и реальность [1] [2]
Как не заблудиться в кабельных джунглях?
Побалуйте свои уши! [1] [2]
Ограничение сигнала усилителем – можно ли работать в клиппинге?
"Хай-Энд" умер, да здравствует "Хай-Энд"! [1] [2]
Блестящие звукозаписи [1] [2] [3]
Семь слов об ошибках аудиоэкспертизы
Частотные, нелинейные и фазовые искажения
Внешние факторы, влияющие на восприятие звука
Многоканальный окружающий звук [1] [2] [3] [4]
Магнитная запись: мифы и реальность
Теория схемотехники и звукотехники
Для начинающих. Как работает усилитель [1] [2]
Принципы схемотехники электронных ламп [1] [2] [3] [4] [5] [6] [7] [8]
Хрестоматия радиолюбителя, 1963г. [1] [2] [3] [4] [5]
Конструктивный расчет входных и выходных трансформаторов [1] [2]
Как работают звуковые трансформаторы
Элементарная теория схем с обратной связью [1] [2] [3]
Теория звукотехники
Двухтактно-параллельный усилитель НЧ
Особенности стандартов, описывающих мощность в звукотехнике
Отрицательная обратная связь в усилителях
Классы усилителей мощности
Элементарная теория триода [1] [2] [3] [4] [5] [6] [7] [8] [9]
Как работает лучевой тетрод
О мощности, ваттах, децибелах... [1] [2]
Теория звука [1] [2] [3] [4]
Звук и цифровые технологии [1] [2] [3] [4] [5] [6]
Проектирование абсолютно устойчивых усилителей [1] [2] [3] [4] [5] [6] [7] [8] [9] [10]
Звуковые форматы
Описание стандарта MP3
Правильная мощность
Начинающим. Радиолампа
Высококачественный усилитель низкой частоты
Объемный звук [1] [2] [3]
Парадоксы электрона
Вибратор к гитаре
Ламповый авометр
Старая и популярная 12АХ7/ЕСС83
Принцип устройства и работы электро-вакуумных приборов
Двухэлектродные лампы
Трехэлектродные лампы
Рабочий режим триода
Многоэлектродные и специальные лампы
Электронно-лучевые трубки
Газоразрядные и индикаторные приборы
Фотоэлектронные приборы
Собственные шумы электронных ламп
Особенности работы электронных ламп на СВЧ
Специальные электронные приборы для СВЧ
Надежность и испытание электровакуумных приборов
Основы схемотехники ламповых усилителей
Искажения в усилителях, их измерение, меры по снижению искажений
Основные сведения о радиокомпонентах
Источники питания
Каскады усиления мощности
Каскады предварительного усиления
Широкополосные усилители
Усилительный каскад с катодной нагрузкой [1] [2]
Life in Vacuum. EL34
Life in Vacuum. 6H8C, 6H9C
Life in Vacuum. SV572 SV6550 6C5C 6C3П/6C4П
Двойной триод 6Н3П
Пентод 6Ж5П
6П42С / 6П45С
Лучевой тетрод 6П1П
Пентод 6П14П в оконечном каскаде
Двойной триод 6Н14П
Кенотрон 1Ц11П
Демпферный диод 6Ц10П
Что и как мы слышим
 
 
 

Найти на сайте

 

Информация

Отделка балконов "под ключ" от Московской компании "Вектран"

Отделка балконов "под ключ" от Московской компании "Вектран"

Плитка электрическая

Магазин комнатных растений

Рекомендуем для тепла и уюта в вашем доме качественные одеяла. Интернет магазин Планета Снов предлагает одеяла и подушки на любой вкус и сезон: шелковые, шерстяные, пуховые, из бамбука, кашемировые и ...
Доступные цены.

 

Это интересно

Приобретя определенный опыт при повторении рассмотренных ранее простых конструкций одно-, двух- и многоламповых усилителей низкой частоты с использованием отечественных радиоламп, начинающие радиолюбители могут попробовать свои силы в создании более сложной аппаратуры на импортных лампах. Для того чтобы процесс создания многокаскадного и многолампового усилителя НЧ не оказался слишком сложным, как и в случае с УНЧ на отечественных лампах, для начала предлагается собрать простую конструкцию на двух лампах. Принципиальная схема однотактного усилителя, выполненного на импортных лампах типа ЕСС83 и EL34, приведена на рис. 4.21. В зависимости от величины напряжения питания цепей анода данный усилитель может развивать мощность до 20 Вт, в тоже время его номинальная мощность составляет 5 Вт.
    Входной сигнал с разъема Х1 поступает на потенциометр R7, который является регулятором громкости и имеет логарифмическую характеристику (тип В). В верхнем по схеме положении движка переменного резистора R7 на вход первого усилительного каскада проходит максимальный сигнал. Через разделительный конденсатор С1, который позволяет исключить влияние регулятора громкости по постоянному току на входную цепь триодной части лампы VL1, переменное входное напряжение подается на управляющую сетку триода VL1.1, на котором выполнен каскад предварительного усиления. Этот каскад собран на одном из триодов комбинированной лампы типа ЕСС83, являющейся двойным триодом.
    На управляющую сетку триода VL1.1 также поступает постоянное напряжение смещения, которое формируется на резисторе R2. Анодный ток триода VL1.1, протекая через резистор R2, обеспечивает формирование на нем падения напряжения. При этом положительный потенциал оказывается приложенным к катоду, а отрицательный – к шине корпуса. Через резистор утечки R1 отрицательный потенциал приложен и к управляющей сетке триода VL1.1. В качестве нагрузки триода VL1.1 используется резистор R3, который включен в анодную цепь. При поступлении сигнала звуковой частоты на управляющую сетку триода VL1.1 изменяется его анодный ток и, как следствие, на резисторе R3 формируется переменное напряжение, которое через разделительный конденсатор С3 подается на оконечный усилительный каскад.
    Внимательный читатель, без сомнения, заметит, что в рассматриваемой схеме не соблюдается последовательность нумерации некоторых элементов. Однако этому не следует придавать особого значения. Такой подход вызван стремлением избежать путаницы при рассмотрении усовершенствований, о которых будет рассказано далее.
    Через разделительный конденсатор С3, не пропускающий постоянное напряжение с анода триода VL1.1, переменное входное напряжение подается на управляющую сетку пентода VL2, на котором выполнен оконечный усилительный каскад или каскад усиления мощности.
    Далее...

 

Усилитель ламповый XD850MKIII

XD850MKIII

Акустическая система Music Angel One

Music Angel One

Усилитель ламповый XD800MKIII

XD800MKIIIIII

Усилитель ламповый MINIP1

MINIP1