Усилители Music Angel

    XD500MKIII
    XD800MKIII
    XD845MKIII
    XD845LE
    XD850MKIII
    XD8502AIII
    XD900MKIII
    T24 фонокорректор

Ламповый усилитель XD500MKIII: EL34, 2х50 Вт Ламповый усилитель XD800MKIII: KT88, 2х65 Вт Ламповый усилитель XD845MKIII: 845, 2х20 Вт Ламповый усилитель XD850MKIII: 300B, 2х9 Вт Ламповый усилитель XD8502AIII: 300B, 2х9 Вт Предварительный ламповый усилитель XD900MKIII: 12AU7, 12AX7

Усилители ARIA

    MINI 6
    MINI 5.1
    MINIP1
    MINIL3
    MINIP14

Ламповый усилитель MINI 6: KT88, 2х60 Вт Ламповый усилитель MINIP1: 6AQ5, 2х10 Вт Ламповый усилитель MINIL3: EL34, 2х35 Вт Ламповый усилитель MINIP14: 6P14, 2х10 Вт

Усилители LACONIC

    AZUR H2
    HA-02
    HA-03B
    HA-03B2
    HA-03M
    Lunch Box Pro

Ламповые усилители LACONIC HA-02,03B/B2/M: 6N6P, 2х1,2 Вт на 300 Ом

Акустические системы

    Music Angel One
    Music Angel 2.5
    Music Angel TK-10
    DIVA 5.2

Акустическая система Music Angel One: 20 - 100 Вт, 38 Гц - 30 кГц, 86 Дб/Вт/м Акустическая система Music Angel 2.5: 20 - 200 Вт, 20 Гц - 30 кГц, 86 Дб/Вт/м Акустическая система Music Angel TK-10: 10 - 250 Вт, 45 Гц - 22 кГц, 8 Ом, 97 дБ/Вт/м Акустическая система DIVA 5.2: 10 - 150 Вт, 36 Гц - 20 кГц, 90 дБ/Вт/м

Комплектующие

    Лампы
    Кабели

КТ 88: Filament Voltage 6.3 V Filament Current 1.6 A Plate Voltage (max) 800 V Plate Current (max) 230 mA Plate Dissipation (max) 40 W 845: D.C. Plate Voltage 1250 D.C. Grid Voltage -98 Peak A.F. Grid Voltage 93 D.C. Plate Current (ma.) 95 Power Output (watts) 15 21 300B: Filament Voltage 5 V Filament Current 1.2 A Plate Voltage (max) 450 V Plate Current (max) 100 mA Plate Dissipation (max) 40 W

Это интересно

Работа приставки основана на свойстве стереоэффекта проявляться на частотах выше 200-300 Гц. Это явление позволяет для усиления частот ниже 200-300 Гц использовать монофонический усилитель, а для усиления частот свыше 200-300 Гц - два простейших усилителя приставки со стереофонической акустической системой. Устройство акустических систем в этом случае резко упрощается, поскольку большинство усложнений в них вызвано необходимостью хорошего воспроизведения частот до 200-300 Гц, о чем заботиться не приходится, так как с этой задачей с успехом справляется отдельный усилитель НЧ. Приставка (рис.8) содержит два одноламповых усилителя на лампах Л2 и Л2' и смесительный каскад на лампе Л1. При воспроизведении грамзаписи низкие частоты правого и левого каналов звукоснимателя поступают на смесительный каскад и далее на вход усилителя НЧ радиолы. Высокие частоты правого и левого каналов усиливаются раздельными усилителями НЧ приставки. Низкие частоты отфильтровываются цепочками C6R6, C6'R6' и цепью автоматического смещения, благодаря малой емкости конденсаторов СЗ, СЗ' и С4, С4\ Потенциометры R2, R2' служат для регулировки громкости. С помощью потенциометров R10, R10' можно установить стереобаланс и необходимую максимальную мощность за счет регулировки глубины обратной связи в усилителях приставки. Выход смесительного каскада рассчитан на подключение к усилителю с входным сопротивлением не ниже 470 кОм. Питается приставка от выпрямителя усилителя.
    При монтаже особое внимание следует обратить на экранировку сигнальных цепей ламп приставки. Шнур, соединяющий выход приставки с усилителем, необходимо выполнить экранированным проводом. Имеет смысл заземлить среднюю точку накальной обмотки силового трансформатора усилителя, либо подать на нее положительное смещение 10-20 В от источника анодного питания, как в предыдущей схеме. Громкоговорители должны иметь сопротивление звуковой катушки 4-6 Ом. В качестве потенциометров R2, R2' используются спаренные резисторы СП-3-7.
    Следующий УМЗЧ без выходного трансформатора Л. Кононовича (Р-6/59) с еще большой натяжкой можно назвать простым. Он содержит три лампы, тонкомпенсированный регулятор громкости, раздельный регулятор тембра по нижним и верхним частотам и своеобразную схему выходного каскада, собранную из последовательно включенных ламп типа 6П18П, которая получила название "Тандем" (рис.9). Возможность бестрансформаторного включения громкоговорителя в таких схемах объясняется тем, что при наличии конденсатора большой емкости С14 обе лампы Л2 и ЛЗ оказываются включены по переменному току параллельно, что снижает выходное сопротивления "Тандема" до величины меньшей, чем сопротивление ведущей лампы Л2. Режим ее выбран таким образом, что выходное сопротивление каскада близко к 100 Ом, а нагрузкой его служат два включенных последовательно громкоговорителя на 16 Ом каждый.
    Такие схемы не имели большого распространения, потому что получить выходное сопротивление в мощных каскадах менее 600...1000 Ом не удается, а для подключения к ним необходимы специальные высокоомные громкоговорители. В данной схеме за счет приближения режима лампы Л1 к насыщению, существенному рассогласованию выходного сопротивления и нагрузки и наличию глубокой ООС с выхода усилителя на катод лампы /116 выходная мощность снижена до 2 Вт. К достоинствам данной схемы можно отнести широкую полосу усиливаемых частот 30...20000 Гц, которую ограничивают только разделительные конденсаторы. Также положительным качеством является большая глубина регулировки тембра, которая достигает 20 дБ. И, наконец, существенным достоинством является большой запас устойчивости усилителя во всей полосе частот. Перечисленные достоинства обеспечивают высокое качество звучания УМЗЧ.
    В заключение обзора простых схем приведем "иностранный" образец радиолюбительского творчества, который был опубликован в Р-1/65. Это стереофонический усилитель болгарина И. Кусева. Усилитель (рис.10) предназначен для стереофонического и монофонического воспроизведения программ радиовещательных станций и граммофонных пластинок. Максимальная выходная мощность каждого канала усилителя 6 Вт при коэффициенте нелинейных искажений не более 1%, номинальная мощность 1,5 Вт, при коэффициенте нелинейных искажений не более 0,8 %.
    Глубина регулировки тембра низших звуковых частот на частоте 20 Гц/дБ. Глубина регулировки тембра высших звуковых частот на частоте 16 кГц +12 дБ. Усилитель воспроизводит полосу звуковых частот 20...16000 Гц при неравномерности частотной характеристики не более 0,5 %.
    Первый каскад обоих каналов усилителя выполнен на двух триодах лампы ЕСС82 по схеме катодного повторителя. На входах вторых каскадов усиления включены регуляторы частотной характеристики R9 - R10. Этому регулятору следует уделить особое внимание, так как он позволяет изменять частотную характеристику усилителя, не уменьшая величину обратной связи. Регуляторы тембра высших R25, R25a, и низших R21, R22 звуковых частот включены в цепи частотно-зависимой обратной связи между вторым и третьим каскадами усилителя...
    Далее...

 
 

Ламповый High-End

 

ЧАСТЬ 4

 

Однако, это еще не все. Для того, чтобы УМЗЧ работал еще устойчивее при таких предельных для ламп 6ФЗП значениях выходной мощности, весь усилитель охвачен ООС с выхода на катод входного триода Л1 через делитель R7-R4, а с него на сетку через резистор R3. Местные ООС имеются также в каждом каскаде. Вызывает уважение и фильтр в цепи питания С10-Др1-С11, уменьшающий коэффициент пульсаций анодного напряжения до 0,1%.

Схема лампового усилителя

Следующий УМЗЧ для воспроизведения грамзаписи Г. Крылова едва ли сложнее предыдущего. Выходная мощность его 6 Вт при коэффициенте нелинейных искажений 3%; при выходной мощности 4 Вт коэффициент нелинейных искажений 1%. Неравномерность частотной характеристики в диапазоне от 25 гц до 16 кГц - 1 дБ. Чувствительность с входа - 170 мВ. Уровень фона -55 дБ. Особенностью усилителя (рис.13), который состоит из каскада предварительного усиления, двухтактного выходного каскада и выпрямителя, является своеобразная схема возбуждения оконечного каскада без использования фазоинвертора.

Сигнал с регулятора громкости R1 подается на управляющую сетку лампы типа 6Ж1П, усиливается ею и поступает на управляющую сетку выходной лампы Л2 типа 6П15П. Напряжение сигнала с катода лампы Л2 поступает далее на катод лампы ЛЗ.

Напряжение сигнала U подаваемое на лампу ЛЗ, можно определить из формулы:

U= (I1 - I2)(R7 + R8), где I1 и 12 - переменные составляющие токов Л2 и ЛЗ. Увеличить это напряжение не представляется возможным, поскольку для хорошего использования лампы ЛЗ ток И должен быть близок к 12, а увеличивать сопротивление резистора R8 нельзя из-за снижения анодного напряжения. Стало быть, данная схема представляет интерес только при использовании ламп с большой крутизной, работающих при малом напряжении возбуждения. Из распространенных ламп этому требованию удовлетворяет пентод 6П15П.

Для уменьшения нелинейных искажений и снижения выходного сопротивления усилитель охвачен отрицательной обратной связью глубиной 14 дБ. Напряжение обратной связи снимается с вторичной обмотки выходного трансформатора и через резистор   подается на катод лампы Л1.

Силовой трансформатор собран на сердечнике из пластин Ш32, толщина набора 32 мм, окно 16x48 мм. Сетевая обмотка содержит 880, а анодная 890 витков провода ПЭЛ 0,33, накальная обмотка состоит из 28 витков провода ПЭЛ 0,8.

Выходной трансформатор (рис.14) выполнен на сердечнике из пластин Ш26, толщина набора 26 мм, окно 13X39 мм. Первичная обмотка содержит 1200Х 2 витков провода ПЭВ-2 0,19, вторичная - 88 х 3 витков провода ПЭВ-2 0,47. Необходимо строго выдержать равенство чисел витков секций вторичной обмотки и соединить секции параллельно.

Усилитель смонтирован на шасси из алюминия толщиной 1,5 мм размером 240x92X53 мм. Первый каскад должен быть максимально удален от силового и выходного трансформаторов. Корпус потенциометра R1 следует соединить с шасси.

Расстояние между силовым и выходным трансформаторами должно быть не менее 15 мм. Оси их катушек должны быть взаимно перпендикулярны.

Налаживание усилителя сводится к регулировке величины обратной связи изменением сопротивления резистора R10. Если усилитель возбуждается, то выводы вторичной обмотки выходного трансформатора следует поменять местами. Чтобы избежать самовозбуждения усилителя на ультразвуковых частотах, глубину обратной связи не следует делать более 15 дБ.

Мостовой выпрямитель на диодах Д209 можно заменить селеновым выпрямителем ABC - 120-270. Конденсаторы С5, С6 желательно заменить одним конденсатором емкостью 150 мкФ на напряжение 300 В. Громкоговорители акустического агрегата должны иметь полное сопротивление 8-10 Ом. Автор применил два громкоговорителя 5ГД10, соединенные последовательно.

Схема лампового усилителя

Классическое использование свойств двухтактной схемы можно наблюдать в "простом" УМЗЧ Ю. Михайлова (Р-8/57). В этом 6-ваттном усилителе (рис.15) на входе стоит лампа Л1 - двойной триод 6Н2П, одна половина которого возбуждает одно плечо оконечного каскада ЛЗ и вторую половину этой же лампы Л1, последняя в свою очередь служит фазоинвертором для возбуждения лампы Л2. Путем подбора резисторов R6, R11 подбирается режим обеспечения симметричного возбуждения двухтактной схемы.

Особенностью схемы является наличие раздельного регулятора тембра на входе УМЗЧ, величина входного напряжения при этом достигает 125 мВ. Кроме того, для обеспечения устойчивости усилителя в широком диапазоне частот введена частотно-зависимая ООС R5, R11, R15-C9, R16-C10. Показательным для такой простой схемы является использование накальной цепи оконечного каскада с симметричным заземлением средней точки, а для входного каскада используется пониженное напряжение накала 5 В для снижения уровня внутренних шумов лампы Л1. Как и в предыдущей схеме катоды обеих ламп оконечного каскада Л2 и ЛЗ подсоединены к одному резистору R12, что обеспечивает дополнительную регулировку симметричности режима.

Схема лампового усилителя

На рис.16 приведена схема сравнительно простого УМЗЧ с ультралинейной характеристикой немецкого специалиста Ф. Кюне. Это устройство конструктивно объединяет переключатель входов, предварительный усилитель для электромагнитного звукоснимателя с фильтром низших и высших звуковых частот, регуляторы тембра, а также оконечный каскад и блок питания. При наличии высококачественного выходного трансформатора воспроизводимая полоса частот (при установке регуляторов тембра в среднее положение) имеет линейную характеристику в диапазоне от 50 до 30 000 Гц. На частоте 30 Гц выходная мощность несколько падает.

Входные гнезда 1, 2 и 3 предназначены для подключения источников программ, дающих сигнал напряжением порядка 500 мВ, т. е. для подачи сигнала с линейного выхода магнитофона, приемника или от пьезоэлектрического звукоснимателя. Гнездо 4 предусмотрено для подключения высококачественного электромагнитного студийного звукоснимателя. Оно соединяется с двухкаскадным предварительным усилителем, собранным на лампе Л5. В зависимости от положения переключателя П2 усилитель может пропускать либо всю полосу частот, либо когда включен конденсатор С16, -только средние и высшие частоты. Низшие же частоты, на которых могут возникать вибрации электродвигателя, заметно ухудшающие качество воспроизведения грамзаписи, срезаются.

Конденсатор С17 в цепи сетки правого (по схеме) триода лампы Л5 и сопротивление R29 служат для подъема низших звуковых частот. В положении 5 переключателя П1 конденсатор С14 включается параллельно конденсатору С17 подъем низших частот несколько уменьшается. При трех первых положениях переключателя сетка правого (по схеме) триода лампы Л5 замыкается на землю, что позволяет пол передаче радиопрограммы или магнитной записи подавлять помехи со входа звукоснимателя. В положении 4 конденсатор С18 несколько срезает высшие звуковые частоты, в положении 5 этот эффект усиливается. Секция П16 закорачивает входы, которые в данный момент не используются. Следовательно, при повороте переключателя П1 в положения 1-3 поочередно включаются входы с тем же цифровым обозначением, в положениях 4 и 5-четвертый вход (грамзапись).

Регуляторы тембра (R2-R4) помещены перед лампой Л1, а регулятор громкости R8 - за ней. Правый триод лампы Л2 выполняет функцию фазоинвертора, собранного по схеме с разделенной нагрузкой. Оконечный каскад на лампах ЛЗ и Л4 собран по ультралинейной    схеме,    создающей    отрицательную    обратную    связь    в    цепи экранирующих сеток. Вторая цепь отрицательной обратной связи идет от вторичной обмотки выходного трансформатора через сопротивление R20 к катоду лампы Л2. Выходной трансформатор следует подбирать с учетом имеющегося громкоговорителя.

Потенциометр R35 в цепи накала ламп предназначен для ослабления уровня фона. Кроме этого, сопротивления R36 и R37 в цепи накала лампы Л1 понижают напряжение накала до 4,5 В, тем самым уменьшая уровень шумов и фона. Эта, по словам Ф. Кюне, несколько необычная схема, а для многих радиолюбителей Союза, как, например, для Ю. Михайлова (рис.15) уже в 1957 году (!), вполне распространенная, в течение ряда лет с успехом применялась в цепи накала первой лампы различных усилителей, при этом понижение напряжения накала не сказывалось на работе ламп.

Схема высококачественного усилителя низкой частоты на 8 Вт А. Кузьменко (Р-5/57) похожа на предыдущую по многим параметрам, даже номиналы отдельных цепей совпадают. Автор этой конструкции (рис.17) полагает, что он достиг улучшения качества звучания за счет введения разнообразных обратных связей, среди которых 00С на экранные сетки через отводы 16 и 1в выходного трансформатора Тр1, общая 00С через делитель R12-R30, местные 00С в цепях возбуждения всех каскадов.

Существенным отличием данной схемы от предыдущей является наличие корректирующей цепочки R14-C7 в анодной цепи левого по схеме триода лампы Л2. С помощью этой цепочки достигается уменьшение завала АЧХ усилителя в области высоких частот, который возникает из-за влияния нескольких факторов, главными из которых можно считать именно наличие местных 00С, а также низкое качество выходного трансформатора Тр1.

Схема лампового усилителя

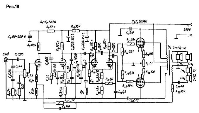
Более поздняя модель широкополосного УМЗЧ С. Матвиенко (рис.18) еще более усложнена по сравнению с предыдущими. Чтобы достигнуть высококачественного звучания в 10-ваттном усилителе, в котором выходной каскад работает на пределе мощности, автор этой конструкции добавляет в схему свои элементы и цепи, которые помогают решить поставленную задачу - достичь высокого уровня равномерности АЧХ (не более 0,1 %) в широкой полосе частот 20...30000 кГц.

Схема лампового усилителя

Усилитель охвачен петлей ООС, которая работает в области средних частот - это цепочка R5-R29-R12-C8. Кроме того, все каскады охвачены местной ООС, причем в данном усилителе предвыходной каскад, который создает симметричное противофазное возбуждение почти "дословно" повторяет схему выходного каскада Г. Крылова (рис.13). Однако уже в оконечном каскаде наблюдаем дополнительную регулировку R27 величины катодного сопротивления ламп ЛЗ, Л4, благодаря которому имеется возможность симметрировать режимы обеих ламп, здесь же осуществлена ООС на экранные сетки   с части витков первичной обмотки выходного трансформатора Тр1.

В схеме также использованы все существующие возможности управления тембровою окраскою звукового сигнала. Предусмотрена раздельная регулировка тембра на уровне 12 дБ по высокой частоте R14-C9, СЮ и 14 дБ - на низкой R15-C14, Др1, а также применен тонкомпенсированный   резистор регулировки громкости R3.

Для стабильной работы УМЗЧ необходимо анодное питание с малым коэффициентом пульсаций, поэтому на выходе выпрямителя необходимо установить П-образный фильтр из дросселя и двух емкостей, как, например, в схеме Кусева (рис 9) или Гендина (рис.12).

Далее идет серия разработок вышеупомянутого Ф. Кюне. Схема высококачественного усилителя на 10 Вт показана на рис.19. Регуляторы тембра с раздельным регулированием по высоким R1-C1, С2 и низким частотам R2, R3, R4 - СЗ, С4 и регулятор громкости R5 помещены на входе усилителя, чувствительность которого около 600 мВ.

 

Радиолюбительский High-End. К.: "Радiоаматор", 1999, 112 с. с ил.

 

Часть [1]  [2]  [3]  [4]  [5]  [6]  [7]  [8]  [9]  [10]  [11]  [12]  [13]  [14]  [15]  [16]  [17]  [18]  

 

Статьи

Ламповый звук
Тайны лампового звука
Волшебство лампового звука [1] [2]
Когда лампа лучше, чем транзистор [1] [2]
Почему вакуумный триод звучит музыкально
Схемотехника ламповых усилителей
Лампы или транзисторы? Лампы!
Однотактный ламповый усилитель для начинающих
Двухтактные ламповые усилители
Оконечный пушпульный усилитель - схема Уильямсона-Хафлера-Кероеса
Рекомендации по повторению реплики схемы Уильямсона-Хафлера-Кероеса
Однотактный усилитель с непосредственной связью. Схема Loftin-White [1] [2]
Трехламповый усилитель Губина
Однотактник на 300В
Усилители низкой частоты
Расчет каскада с нагрузкой в аноде
Однотактный усилитель на лампе 807 [1] [2]
Циклотрон. Мощный усилитель с выходными лампами ГУ-50
SE на RB300
Однотактный усилитель мощности на 300В. Модель WE91 для 90-х годов [1] [2]
Как улучшить звучание HI-FI системы [1] [2] [3] [4] [5] [6]
Лампы и звук: назад, в будущее [1] [2] [3] [4] [5]
Однотактный ламповый ... [1] [2] [3] [4] [5] [6] [7] [8] [9] [10]
Апгрейд усилителя XD845MKIII [1] [2]
"Усилитель" для наушников на SRPP [1] [2] [3] [4] [5] [6]
Ламповый High-End [1] [2] [3] [4] [5] [6] [7] [8] [9] [10] [11] [12] [13] [14] [15] [...]
Обзор журнала Glass Audio за 1998 год [1] [2]
Обзор журнала Glass Audio за 1999 год
Корректор для винила
Компенсированные регуляторы громкости
Усилитель НЧ
Даешь ONGAKU!
Tubesaurus Rex
Усилитель НЧ с комбинированной обратной связью
Прибор для измерения напряжения накала высоковольтных кенотронов
George Ohm живет в Харькове
Ревизия однотактного усилителя с межкаскадным трансформатором
Усилитель мощности НЧ с высоким КПД
Двухканальный усилитель НЧ
Усилитель НЧ с клавишным переключателем
Радиотрансляционные установки ТУ-50 и ТУ-100
Портативный проигрыватель
Усилитель НЧ
Усилитель без выходного трансформатора
Усилители без выходного трансформатора
Лампово-полупроводниковый УМЗЧ
Акустика
Бытовые акустические системы [1] [2] [3] [4] [5] [6] [7] [8] [9] [10] [11] [12] [13]
Там, где живут басы [1] [2] [3] [4] [5] [6]
The Onken Enclosure
Категории слухового восприятия [1] [2]
Три взгляда на акустику помещений [1] [2]
Акустика в которой мы живем [1] [2]
Акустика офисов
Мифы звукоизоляции
Акустика отделочных материалов
Акустический агрегат с объемным звучанием
Акустические свойства домашней мебели
Акустические линзы для громкоговорителей
Акустические измерения в практике радиолюбителя
Акустический фазоинвертор
Акустика студий [1] [2]
Полезные советы разработчиков Hi-End
Триод против пентода. Что выбрать? [1] [2]
SINGLE-ENDED VS PUSH-PULL [1] [2] [3] [4] [5] [6] [7]
Одноламповые усилители низкой частоты
Как пользоваться характеристиками электронных ламп
Многоламповые усилители НЧ на импортных лампах
Контактно-резисторный коммутатор входов
Как проверять аппаратуру в салоне
Что лучше: 4 или 8 Ом акустика?
Выходной трансформатор для однотактника. Быть или не быть линейным
Простая и быстрая проверка трансформаторов
Десять способов усовершенствовать вашу аудиокомнату
Испытатель ламп
Понижение уровня фона в усилителях
Evolution
Пять правил рационального питания
Трансформаторы в однотактных усилителях
Выходные трансформаторы
Измерение характеристик выходного трансформатора [1] [2]
Однотактный «Magnum»
Какая лампа нам нужна
Какая лампа нам нужна и будет ли она?
Улучшенная конфигурация листов трансформаторной стали
Должен ли УМЗЧ иметь малое выходное сопротивление? [1] [2]
Звук: интересные наблюдения
Вся правда об акустике ProAc
Немного теории лампового звука
О заметности искажений
История лампы 300B
Краткая история возникновения Hi-Fi
Возможен ли "виниловый ренессанс?" [1] [2] [3]
Hi-End: Мифы и реальность [1] [2]
Как не заблудиться в кабельных джунглях?
Побалуйте свои уши! [1] [2]
Ограничение сигнала усилителем – можно ли работать в клиппинге?
"Хай-Энд" умер, да здравствует "Хай-Энд"! [1] [2]
Блестящие звукозаписи [1] [2] [3]
Семь слов об ошибках аудиоэкспертизы
Частотные, нелинейные и фазовые искажения
Внешние факторы, влияющие на восприятие звука
Многоканальный окружающий звук [1] [2] [3] [4]
Магнитная запись: мифы и реальность
Теория схемотехники и звукотехники
Для начинающих. Как работает усилитель [1] [2]
Принципы схемотехники электронных ламп [1] [2] [3] [4] [5] [6] [7] [8]
Хрестоматия радиолюбителя, 1963г. [1] [2] [3] [4] [5]
Конструктивный расчет входных и выходных трансформаторов [1] [2]
Как работают звуковые трансформаторы
Элементарная теория схем с обратной связью [1] [2] [3]
Теория звукотехники
Двухтактно-параллельный усилитель НЧ
Особенности стандартов, описывающих мощность в звукотехнике
Отрицательная обратная связь в усилителях
Классы усилителей мощности
Элементарная теория триода [1] [2] [3] [4] [5] [6] [7] [8] [9]
Как работает лучевой тетрод
О мощности, ваттах, децибелах... [1] [2]
Теория звука [1] [2] [3] [4]
Звук и цифровые технологии [1] [2] [3] [4] [5] [6]
Проектирование абсолютно устойчивых усилителей [1] [2] [3] [4] [5] [6] [7] [8] [9] [10]
Звуковые форматы
Описание стандарта MP3
Правильная мощность
Начинающим. Радиолампа
Высококачественный усилитель низкой частоты
Объемный звук [1] [2] [3]
Парадоксы электрона
Вибратор к гитаре
Ламповый авометр
Старая и популярная 12АХ7/ЕСС83
Принцип устройства и работы электро-вакуумных приборов
Двухэлектродные лампы
Трехэлектродные лампы
Рабочий режим триода
Многоэлектродные и специальные лампы
Электронно-лучевые трубки
Газоразрядные и индикаторные приборы
Фотоэлектронные приборы
Собственные шумы электронных ламп
Особенности работы электронных ламп на СВЧ
Специальные электронные приборы для СВЧ
Надежность и испытание электровакуумных приборов
Основы схемотехники ламповых усилителей
Искажения в усилителях, их измерение, меры по снижению искажений
Основные сведения о радиокомпонентах
Источники питания
Каскады усиления мощности
Каскады предварительного усиления
Широкополосные усилители
Усилительный каскад с катодной нагрузкой [1] [2]
Life in Vacuum. EL34
Life in Vacuum. 6H8C, 6H9C
Life in Vacuum. SV572 SV6550 6C5C 6C3П/6C4П
Двойной триод 6Н3П
Пентод 6Ж5П
6П42С / 6П45С
Лучевой тетрод 6П1П
Пентод 6П14П в оконечном каскаде
Двойной триод 6Н14П
Кенотрон 1Ц11П
Демпферный диод 6Ц10П
Что и как мы слышим
 

 

 

Найти на сайте

 

Информация

Итальянские рестораны в Москве

Сценарии праздников

Читайте сказки детям перед сном

 

Это интересно

Каскад предварительного усиления собран на лампе Л1. Верхний (по схеме) триод лампы Л2 работает в режиме усиления. Его управляющая сетка соединена непосредственно с анодом лампы Л1 (конденсатор связи отсутствует). Этим исключается элемент сдвига фазы, который при известных условиях мог бы вызвать нестабильность отрицательной обратной связи. Благодаря непосредственной связи управляющая сетка лампы Л2 находится под таким же высоким потенциалом (+70 в), как и анод лампы Л1. Поэтому напряжение на катоде этой лампы приходится повышать до 71,5 В. Разница в напряжении (1,5 В) и составляет требуемое сеточное смещение.
    Управляющая сетка верхнего триода через сопротивление R12 связана по постоянному току с нижним (по схеме) триодом лампы Л2. В результате этого, а также благодаря общему сопротивлению в цепи катода, на оба триода подается одно и то же напряжение смещения. Управляющая сетка нижнего триода через конденсатор СЮ соединена по переменному току с общим минусом, т. е. лампа управляется не сеткой, а катодом (аналогично каскодной схеме). Так как сигнал в цепи управляющей сетки нижнего триода сдвинут по фазе на 180° относительно управляющей сетки верхнего триода, к оконечным лампам подводятся напряжения, также сдвинутые по фазе на 180°. Такой способ поворота фазы отличается высокой симметричностью, хорошим усилением н отсутствием фазовых искажений. Схема оконечного каскада обычна.
    Корректирующая цепочка R6-C5, включенная параллельно нагрузочному сопротивлению лампы Л1, н фильтр в цепи отрицательной обратной связи, состоящей из конденсатора С8 и сопротивления R10, стабилизируют отрицательную обратную связь в диапазоне ультразвуковых частот.
    Для каскада предварительного усиления подбирают по возможности малошумящие высокостабильные сопротивления. Величины конденсатора С8 и сопротивления R10 выбирают с учетом полного выгодного сопротивления усилителя из следующей таблицы:
    Выходной трансформатор намотан на сердечнике броневого типа из трансформаторного железа толщиной 0,5 мм без воздушного зазора. Сечение среднего стержня сердечника 28x28 мм. Первичная обмотка состоит из четырех секций, каждая по 1650 витков провода ПЭЛ или ПЭВ диаметром 0,11 мм. Прокладки между слоями из бумаги толщиной 0,03 мм. Вторичная обмотка состоит из двух секций по 76 витков в каждой, намотанной двумя слоями провода той же марки диаметром 0,6 мм с прокладками из бумаги толщиной 0,1 мм.
    Последовательность намотки следующая. Первой на каркас наматывают одну из секций первичной обмотки, затем половину вторичной обмотки, после этого две секции первичной обмотки, потом другую половину вторичной, последняя наматывается четвертая секция первичной обмотки. Две средние секции первичной обмотки соединены параллельно и намотаны в одну сторону, а остальные - в противоположную. Обе крайние секции также соединены параллельно. Составленные таким образом группы включают последовательно. Также последовательно включают обе половины вторичной обмотки (при сопротивлении громкоговорителя 16 Ом).
    Следующий УМЗЧ Ф. Кюне на 20 Вт содержит мостовую схему включения нагрузки в оконечном двухтактном каскаде. В ней постоянная составляющая (рис.20) не течет через нагрузку, поэтому питание анодной цепи осуществляется помимо выходного трансформатора, и он представляет собой согласующий автотрансформатор.
    Трансформатор питания имеет две обмотки анодного напряжения (по 270 В каждая). Постоянное напряжение на электролитических конденсаторах С9 и СЮ составляет 290 В, напряжение в цепи катода при холостом ходе 18 В. Примечательно, что конденсаторы в блоке питания не соединены с корпусом.
    Напряжение смещения оконечных ламп Л2 и ЛЗ снимается с сопротивлений в цепи катода R13 и R14. Целесообразно одно из них сделать переменным, чтобы иметь возможность точно отрегулировать симметрию в обеих оконечных лампах. Напряжение на экранирующую сетку лампы одного плеча подается из анодной цепи лампы другого плеча. В цепи экранирующей сетки лампы ЛЗ включено переменное сопротивление R17, служащее для подавления фона переменного тока. В случае сильного фона необходимо перефазировать одну из обмоток трансформатора питания. Сопротивления R7, R10 и R12, R15 в цепях управляющих и экранирующих сеток оконечных ламп служат для защиты от возникновения генерации, их припаивают непосредственно к панелям ламп.
    Напряжение на катоде лампы Л1, верхняя половина которого работает в режиме усиления, а нижняя служит для поворота фазы, составляет 28 В. Управление нижним триодом осуществляется через общее сопротивление R5 в цепи катода, т. е. аналогично усилителю...
    Далее...

 

Усилитель ламповый XD850MKIII

 

XD850MKIII

 

Акустическая система Music Angel One

 Music Angel One

Усилитель ламповый XD800MKIII

 

XD800MKIII

 

Усилитель ламповый MINIP1

 

MINIP1